Автоматическая линия для производства профиля модель JB45X16

 
Автоматическая линия для производства профиля модель JB45X16

Состав линии:
Механический разматыватель;
Стан прокатный профилирующий; Гидравлическая гильотина ;
Система автоматического управления; Приёмный стол
Технические характеристики
Режим работы: автоматический Установленная мощность: 4 кВт
Толщина ленты: 0.3–0.7мм
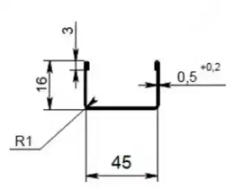
Входящая ширина: 83мм
Скорость прокатки: до 20м/ мин.
Кол-во рабочих клетей:12
Диаметр вала: Ф50
Вес линии: 1200кг.
Напряжение питания, 380 В (220 В для АСУ)
Габариты: 6000х800х1400 мм
Диаметр вала: Ø 50мм
Материал вала: сталь 45
Материал ролики: подшипниковая сталь (высокотемпературная закалка)
Спасоб привода: цепная передача
Чэндуский машиностроительный завод “Цзинь Бинь” всеми силами предоставить вам качественные оборудования по низкой цене. У нас многолетний опыт и наш завод является одной из самых динамично развивающихся компаний-производителей и поставщиков качественного оборудования и материалов для строительства и отделки прямо из Китая.
Контактное лицо: Алина
Эле. почта:
Wechat:
WhatsApp:
Сайт:
Адрес: КНР, г.Чэнду, проспект Цзинь Фэн,№6

Авторизация

Похожие объявления

  • 3 500 000 тг.
    Продажа МАФ, фонтаны, вазоны, клумбы, скамейки, скульптуры садовые, скульптуры животных, фигурки, памятники, бюсты, национальные мотивы, фонари садовые, малые архитектурные формы, в Казахстане в
  • 990 тг.
    Бесспорно, что бассейн на территории участка это стильное и респектабельное сооружение, предмет гордости и положительных эмоций хозяина, а также тех, кто однажды посещал бассейны
  • 990 тг.
    Лестницы для бассейна - предназначена для удобного и безопасного спуска в бассейн. Поручни изготовлены из полированной нержавеющей стали марки AISI-304
  • 35 000 тг.
    Продажа МАФ, фонтаны, вазоны, клумбы, скамейки, скульптуры садовые, скульптуры животных, фигурки, памятники, бюсты, национальные мотивы, фонари садовые, малые архитектурные формы, в Казахстане в
  • 25 000 тг.
    Продажа - изготовление МАФ, фонтаны, вазоны, клумбы, скамейки, скульптуры садовые, скульптуры животных, фигурки, памятники, бюсты, национальные мотивы, фонари садовые, малые архитектурные формы в