Газосепараторы сетчатые типа ГС1 и ГС2 с условным давлением от 0,6 МПа до 8,8 МПа

 
Газосепараторы сетчатые типа ГС1 и ГС2 с условным давлением от 0,6 МПа до 8,8 МПа

Газосепараторы сетчатые типа ГС1 и ГС2 с условным давлением от 0,6 МПа до 8,8 МПа и производительностью по газу от 10210 м куб/ч до м куб/ч.
Газосепараторы сетчатые предназначены для окончательной очистки природного и попутного нефтяного газа от жидкости (конденсата, воды, ингибитора, гидратообразования) в установках подготовки газа к транспорту, подземных хранилищах, а также на газо- и нефтеперерабатывающих предприятиях.
Температура рабочей среды газосепаратора от минус 30 град С до 100 град С.
Газосепараторы сетчатые изготавливаются двух типов:
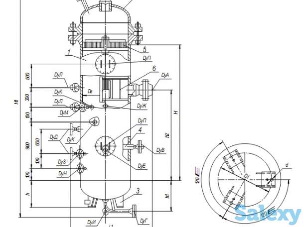
Тип 1 (ГС1) - цилиндрические вертикальные с корпусным фланцевым разъемом диаметром 600мм и 800мм на условное давление от 0,6 МПа до 8,8 МПа (рис. 1);
Тип 2 (ГС2) - цилиндрические вертикальные диаметром 1200мм, 1600мм и 2000мм на условное давление от 0,6 МПа до 6,3 Мпа (рис. 2).
Для производства газосепараторов сетчатых производственная компания Сепартех использует низколегированную сталь 09Г2С по ГОСТ обладающую высокой механической прочностью в широком температурном диапазоне.
По предварительному согласованию возможно изготовление газосепараторов сетчатых из сталей стандартов AISI, DIN, JIS, GB. Для удобства стыковки производимых аппаратов в существующие системы трубной обвязки, Сепартех установит на газосепараторы фланцевое соединение как по стандартам ГОСТ так ANSI или DIN.
Сепартех изготовит газосепараторы по чертежам заказчика (в любом международном стандарте DIN, JIS и так далее) с предварительным приведением к ГОСТу.
Все газосепараторы Сепартех имеют технический паспорт на русском языке и языке заказчика.

Алматы, РФ, г. Пенза, ул. Аустрина, 63

Авторизация

Похожие объявления

  • БУ ГПД 2G Agenitor 406 Liebher 250 КВтч., когенерация. Предложение на продажу: 2G Agenitor 406 250 KW Тип установки: Блоки высокой когенерации, работающие на природном газе.
  • БУ ГПД MTU 1,0 MВт, когенерация 2019 г.в. Двигатель Производитель MTU Германия Тип двигателя 8V4000 L64 Мощность кВт 1000 RPM 1500 Топливо Природный Газ - Метан Генератор Вольтаж 400 V
  • Коммерческое предложение по участию в инвестиционном проекте с грантом от Евросоюза.   Биодизельное производство, Свободная экономическая зона, Румыния.
  • БУ газотурбинная станция Kawasaki GPB 15 D, 1472 Квт, 400 В. 2006 г. в. Топливо природный газ метан. Наработка 28 000 мото часов Использовался в качестве резервного генератора.
  • Пиролизная Энергетическая установка SMART-NRG 400 КВт. Основное топливо древесная щепа. Влажность не больше 20. Технические параметры: Мощность электрическая 400 кВт.