Станок для превращения круглых труб в Т-профильные трубы

 
Станок для превращения круглых труб в Т-профильные трубы

Технические характеристики:
 Мощность двигателя : 11 кВт .
 Материал подачи: об ычная сварная труба .
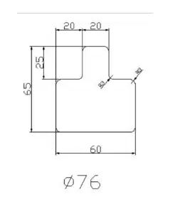
 Д иаметр подающей труб ы : 76 мм .
 Толщина подающей труб ы : 1,5-2,0 мм .
 Рабочая скорость : 8-10 м/ мин .
 Проходы формовки : 10 проходов + 2 прохода правки .
 Материал главного вала : 40Cr после закалки и отделки .
 Материал роликов : GCr15 после отделки и термооб работки .
 Режим передачи : зубчатая передача
 Стеновая плита : цельная плита A3, толщина плиты 35 мм, с простой
электрической короб кой .
Чэндуский машиностроительный завод “Цзинь Бинь” всеми силами предоставить вам качественные оборудования по низкой цене. У нас многолетний опыт и наш завод является одной из самых динамично развивающихся компаний-производителей и поставщиков качественного оборудования и материалов для строительства и отделки прямо из Китая.
Контактное лицо: Алина
Эле. почта:
Wechat:
WhatsApp:
Сайт:
Адрес: КНР, г.Чэнду, проспект Цзинь Фэн,№6

Авторизация

Похожие объявления