Зажим РАС- 95-4А

156 тг.
 
Зажим РАС- 95-4А

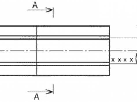
Зажимы ремонтные РАС-95-4А предназначены для установки в местах повреждения сталеалюминиевых проводов диаметром от 13,5 до 46,5 мм. Конструктивно зажим РАС-95-4А состоит из алюминиевых корпуса и вкладыша. Монтаж зажимов РАС-95-4А на проводах осуществляется опрессованием шестигранными матрицами

Алматы, Екатеринбург-г.Дегтярск.ул Комарова 17

Авторизация

Похожие объявления

  • Краны шаровые для газа на высокое давление . Краны шаровые с присоединением под приварку , с фланцевым присоединением, на газ нефть и др. среды. Из наличия и под заказ в короткие сроки
  • Поставляем краны шаровые для газа - все диаметры и модификации, из наличия и под заказ в короткие сроки.
  • SOLAR MARS 100 Газотурбинные электростанции Solar Turbines Газовая турбина Mars 100 отличается повышенной надежностью и длительным сроком эксплуатации
  • Газогенератор и силовая турбина Solar модель Mars 100 M100 CS с редуктором
  • Поставляем из наличия и под заказ в короткие сроки краны шаровые всех диаметров и модификаций для газопроводов